欢迎来到浙江江南减速机有限公司!
中文 EN

首页   >  产品中心  >  搅拌设备  >  搅拌轴 > 搅拌轴、传动轴

搅拌轴、传动轴

搅拌轴

销售咨询

咨询热线:

产品介绍
在线询盘

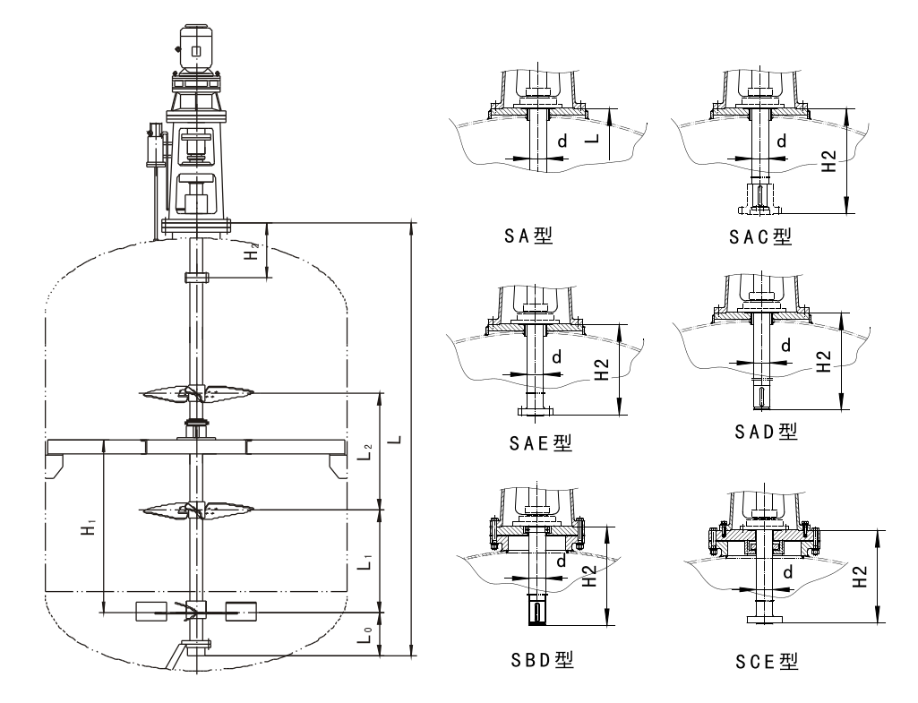
规格参数 点击详细选型
为方便设计和安装调试,在选用本公司减速机、机架、颤动起、轴封、搅拌器后,可根据搅拌轴参数d和L来选择搅拌轴,机架安装平面以上的 搅拌轴尺寸由我公司根据所配机架进行协调,搅拌轴由用户自行加工的可向我公司索取机架内的详细尺寸。









客户名称:
联系电话:
联系邮箱:
留言内容: